首页
公司简介
产品中心
仪表系列
阀门系列
行业信息
资料下载
联系我们
首页
>
产品中心
>
仪表系列
>
流量计
product center
<
>
流量计
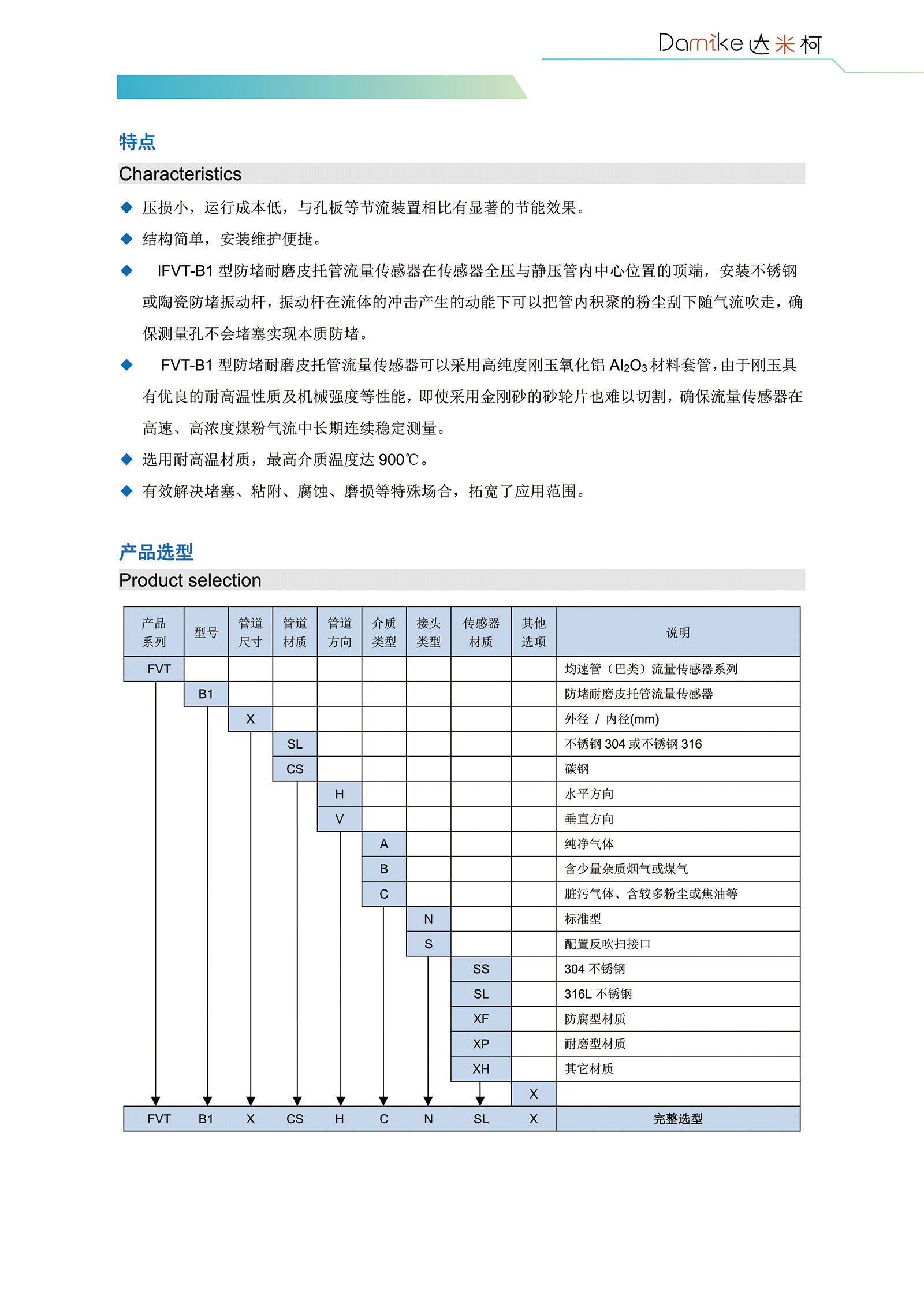
FVT-B1防堵耐磨型皮托管流量传感器